摘要:随着“制造强国战略”的推进,砂石行业也将与智能制造深度融合。惊天智能装备股份有限公司针对各类矿山、采石场破碎机的入料口或格筛处容易堵料的问题,研发生产出多功能工程机械手,对大块物料进行二次破碎,促进砂石企业的高效运作。目前已在湖州德宁、福建松下码头、贵州兴达兴、重庆拉法基等企业项目中得到了很好的应用。
近年来,随着新一轮科技革命和产业变革的孕育兴起,世界各国出台了一系列的科技策略,包括我国发布《中国制造2025》,部署全面推进实施“制造强国战略”,这些战略核心是发展智能制造。
作为建筑材料门类中一个最古老的行业,砂石行业也将与智能制造深度融合,在追寻新型制砂设备和工艺的同时,逐步向规模化和信息化转变,用设备替代人工作业,使砂石生产焕发出新的生机与活力。惊天智能装备股份有限公司(以下简称“惊天公司”)针对各类矿山、采石场破碎机的入料口或格筛处容易堵料的问题,将现代化的破碎设备与传统的制砂生产工艺相结合,在智能控制、远距离通信、环境感知、路径规划、关键部件和机具开发等方面积极开展技术创新,研发生产出多功能工程机械手,对大块物料进行二次破碎,以保证生产流程的顺利进行,促进砂石企业的高效运作。
惊天公司工程机械手
据了解,惊天公司自主研发的工程机械手自2008年正式投入市场以来,已在中色集团、中国黄金集团、金川集团、鞍钢集团等数十家大型国有企业得到推广应用。据中国冶金矿山企业协会统计,目前惊天工程机械手占国内保有量的70%左右,并在多项工程项目创造了第一,如:
惊天公司为国内最大的露天矿之一——鞍钢集团齐大山铁矿研制的一台GTP90型工程机械手,作业半径18米,是目前亚洲作业范围最大的一台工程机械手。为国内大型磷矿——开磷集团开元磷矿开发的井下放矿溜井破碎系统,共17台工程机械手,安装在不同的作业面、不同的溜井口,在国内首次实现由地表中央控制室集中远程监控、实时处理,成为矿山数字化建设的重要环节。为西部铜业有限公司获各琦铜矿开发的工程机械手,安装于颚式破碎机底部出料口,是国内第一台可以将液压锤通过机械手臂伸入颚式破碎机底部破碎的工程机械手。为国内大型镍钴生产基地——金川集团金川镍冶炼厂开发了第一台专门用于镍锭破碎的工程机械手,20分钟内即可破碎一块重达30吨的镍锭,比传统方法提高功效3倍以上。为中色集团缅甸达贡山镍矿项目研发的工程机械手系统,是国内工程机械手第一次应用于国际市场。
其他典型应用案例更是不胜枚举。用于金属及非金属矿山井下及格筛作业的,典型客户有:中国黄金、山东黄金、鞍钢、贵州开磷等;用于冶炼厂矿破碎作业的,典型客户有:甘肃金川集团、山东魏桥铝电、马钢等;用于国外工矿企业专业搬运及抓取作业的,典型客户有:北方重工印度项目、中信重工缅甸项目、澳大利亚SMC铁矿项目等。
而在砂石行业,工程机械手主要应用于固定颚式破碎机口、旋回破碎机入料口和移动式破碎站。由于在破碎机进料口处,大小超标的物料容易卡住下不去,影响后续入料速度,给生产带来安全隐患;而在颚式破碎机的进料口,如果同时进入几块较大物料,则容易造成颚式破碎机过载保护停机,影响破碎效率;并且,有的物料外表圆润光滑,没有棱角,摩擦力太小,颚破口咬合时容易发生打滑造成堵料;此外,矿山原石在一次爆破后的矿石块度不能满足载运或入料的极限尺寸,所以必须进行二次爆破,而二次爆破又给生产带来了极大的安全隐患,并会对周边环境造成破坏。鉴于这些问题,惊天公司于2014年专门针对砂石行业开发了GTPS系列砂石专用机械手,凭借高效率、高适应、低能耗、低风险、智能化等优势,目前已在湖州德宁、福建松下码头、贵州兴达兴、重庆拉法基等企业项目中得到了很好的应用。
例如,在浙江湖州德宁矿业上使用的工程机械手,同时负责两个颚式破碎机入料口堵塞物料的破碎,显著提高了砂石生产线的破碎效率。
工程机械手在湖州生产线上的应用
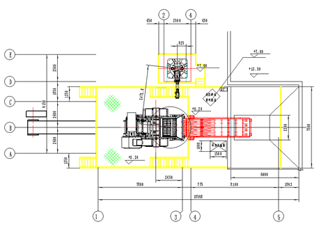
固定在颚式破碎机口
在福建松下码头有限公司项目中,破碎口同样为颚式破碎机,物料普式硬度≤17,最大块度为1000mm,由于经常发生大块物料堵塞颚破口的现象,影响工作效率,因此使用回转式工程机械手,实现一台机械手控制两个颚破口,破碎范围和深度均达到要求,同时,选用驾驶室控制,安全可靠、高效率破碎堵塞的物料。
工作原理示意图
贵州兴达兴建材股份有限公司甘冲石灰石矿项目中,物料种类为石灰石,普氏硬度≤17,物料的最大块度为1000mm,需要破碎到小于500mm以下,因此使用机械手进行辅助破碎。
工作原理示意图
工程机械手在项目现场的应用
重庆拉法基项目中,物料种类为石灰石,密度为2.7t/m3,机械手最大工作半径5m,设备需要破碎的大块量为100次/天,物料的最大块度为700mm,需要破碎到小于500mm以下。
工作原理示意图
也有配置在旋回破碎机入料口作业的,处理超标大块物料,辅助破碎机入料,保证旋回破碎机工作通畅。
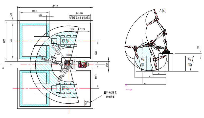
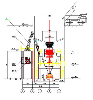
鞍钢集团矿业公司齐大山铁矿项目上,机械手就是旋回破碎机的主要辅助设备。设备安装于24.8米高的平台上,具备多种操作方式(手动控制、驾驶室控制、无线遥控、中央控制室操作),在电气系统出现故障时,能够及时进行手动操作,避免影响生产。另外,还承担破碎站的定锥衬板的拆卸任务。
工作原理示意图
工程机械手安装于24.8米高的平台上
工程机械手在项目现场的应用
应用于旋回破碎机入料口作业
此外,工程机械手还应用到了南非,安装在移动破碎站入料口,负责对入料口大块石料的破碎。
南非的这一项目,需要破碎的物料种类为花岗岩,物料硬度为7KWh/t(邦德功指数),抗压强度≤180MPa,物料的最大块度为600mm,需要破碎到500mm以下。机械手位于移动式破碎站入料口,破碎大块堵塞物料,保证破碎站工作顺畅高效,安全可靠。
工作原理示意图
移动式破碎站入料口作业示意图

工程机械手在南非项目上的应用
惊天公司的工程机械手采用国际先进技术打造,优异的结构特点和稳定的性能有效地实现了砂石的破碎。在颚式破碎机机口、移动式破碎站、旋回破碎机进料口进行大块石料的二次破碎作业,保证砂石破碎的顺利进行,能够完美配合砂石行业的破碎作业,这对提高砂石生产的产品质量和生产效率都具有非常重要的意义。如今惊天工程机械手已成功地应用于国内外的多个城市,多个碎石场,为砂石企业的发展带来了很大的经济效益,成功推动了城市低碳经济的发展。相信工程机械手在砂石行业将会拥有良好的发展和应用前景,大幅度提高砂石企业的综合竞争力,推动行业高效率、规范化、智能化发展。
编辑:金哲